产品展示

EZR-AA系列 单相插头式固态模块(可控硅模块)

EZR-AA系列 单相插头式固态模块(可控硅模块)

产品信息

1.高电介强度超过4KV

2.高绝缘强度超过100MΩ/500VDC

3.附过热保护回路可防止过热破坏

4.耐瞬间电流超过额定电流10倍以上

5.附双重突波吸收回路有效防止突波破坏

6.符合EN60947-4-3 和 EN60950标准


EZR-40AA-H
产品认证:
CE认证

EZR-40AA-H 产品型号

产品型号 特点说明
EZR-40AA-H 输入电压:90~250VAC、负载电压:90~480VAC、额定电流:16A max.

EZR-40AA-H 产品规格

SSR-EZR-DA-SPE.png


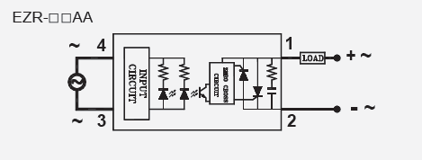
EZR-40AA-H 接线图

SSR-EZR-AA-CD.png


EZR-40AA-H 外型尺寸

SSR-EZR-DA-DS.png


EZR-40AA-H 产品说明书

上一篇: EZR-40AA

下一篇: 暂无