产品展示

HPR-AA系列 单相高功率固态模块(可控硅模块)

HPR-AA系列 单相高功率固态模块(可控硅模块)

产品信息

1.高電介強度超過4KV

2.高絕緣強度超過100MΩ/500VDC

3.附過熱保護回路可防止過熱破壞

4.耐瞬間電流超過額定電流10倍以上

5.附雙重突波吸收回路有效防止突波破壞

6.符合EN60947-4-3 和 EN60950標準


HPR-80AA-H
产品认证:
CE认证

HPR-80AA-H 产品型号

产品型号 特点说明
HPR-80AA-H 輸入電壓:20~265VAC/DC、負載電壓:24~550VAC、額定電流:80A max.

HPR-80AA-H 产品规格

SSR-HPR-AA-C.SPE.png


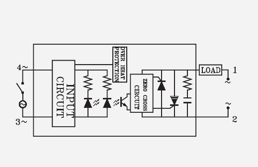
HPR-80AA-H 接线图

SSR-HPR-AA-CD-C.png


HPR-80AA-H 外型尺寸

SSR-HPR-AA-DS-C.png


HPR-80AA-H 产品说明书

上一篇: HPR-60AA-H

下一篇: HPR-100AA-H