产品展示

SCR-K-LA系列 单相散热座一体成型固态模块(可控硅模块)

SCR-K-LA系列 单相散热座一体成型固态模块(可控硅模块)

产品信息

1.高电介强度超过4KV

2.高绝缘强度超过100MΩ/500VDC

3.附过热保护回路可防止过热破坏

4.耐瞬间电流超过额定电流10倍以上

5.附双重突波吸收回路有效防止突波破坏

6.符合EN60947-4-3 和 EN60950标准


SCR-K20LA
产品认证:
CE认证
RoHS认证

SCR-K20LA 产品型号

产品型号 特点说明
SCR-K20LA 输入讯号:4~20mA、负载电压:90~380VAC、额定电流:20A max.

SCR-K20LA 产品规格

SSR-SCR-K-LA-SPE.png


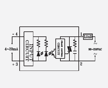
SCR-K20LA 接线图

SSR-SCR-K-LA-CD.png


SCR-K20LA 外型尺寸

SSR-SCR-K-LA-20221125-DS.png


SCR-K20LA 产品说明书

上一篇: SCR-K10LA

下一篇: SCR-K30LA