产品展示

SCR-LA系列 单相固态模块(可控硅模块)

SCR-LA系列 单相固态模块(可控硅模块)

产品信息

1.高電介強度超過4KV

2.高絕緣強度超過100MΩ/500VDC

3.附過熱保護回路可防止過熱破壞

4.耐瞬間電流超過額定電流10倍以上

5.附雙重突波吸收回路有效防止突波破壞

6.符合EN60947-4-3 和 EN60950標準


SCR-75LA-H
产品认证:
CE认证
RoHS认证

SCR-75LA-H 产品型号

产品型号 特点说明
SCR-75LA-H 輸入訊號:4~20mA、負載電壓:250~480VAC、額定電流:75A max

SCR-75LA-H 产品规格

SSR-SCR-LA-SPE.png


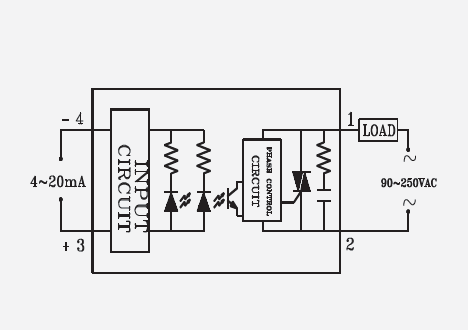
SCR-75LA-H 接线图

SSR-SCR-LA-CD.png


SCR-75LA-H 外型尺寸

SSR-SCR-LA-DS.png


SCR-75LA-H 产品说明书

上一篇: SCR-50LA-H

下一篇: 暂无