产品展示

SSR-DD系列 单相固态模块(可控硅模块)

SSR-DD系列 单相固态模块(可控硅模块)

产品信息

1.高電介強度超過4KV

2.高絕緣強度超過100MΩ/500VDC

3.附過熱保護回路可防止過熱破壞

4.耐瞬間電流超過額定電流10倍以上

5.附雙重突波吸收回路有效防止突波破壞

6.符合EN60947-4-3 和 EN60950標準


SSR-50DD
产品认证:
EAC认证
CE认证
RoHS认证

SSR-50DD 产品型号

产品型号 特点说明
SSR-50DD 輸入電壓:4~32VDC、負載電壓:5~120VDC、額定電流:50A max.

SSR-50DD 产品规格

SSR-SSR-DD-SPE.png


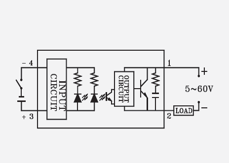
SSR-50DD 接线图

SSR-SSR-DD-CD.png


SSR-50DD 外型尺寸

SSR-SSR-DD-DS.png


SSR-50DD 产品说明书

上一篇: SSR-25DD

下一篇: SSR-75DD