产品展示

SSR-F-DA系列 单相保险丝型固态模块(可控硅模块)

SSR-F-DA系列 单相保险丝型固态模块(可控硅模块)

产品信息

1.高電介強度超過4KV

2.高絕緣強度超過100MΩ/500VDC

3.附過熱保護回路可防止過熱破壞

4.耐瞬間電流超過額定電流10倍以上

5.附雙重突波吸收回路有效防止突波破壞

6.符合EN60947-4-3 和 EN60950標準


SSR-F-10DA-H
产品认证:
CE认证
RoHS认证

SSR-F-10DA-H 产品型号

产品型号 特点说明
SSR-F-10DA-H 輸入電壓:4~32VDC、負載電壓:90~480VAC、額定電流:6A 、保險絲電流:10A

SSR-F-10DA-H 产品规格

SSR-SSR-F-DA-SPE.png


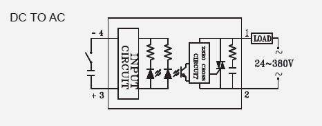
SSR-F-10DA-H 接线图

SSR-SSR-F-DA-CD.png


SSR-F-10DA-H 外型尺寸

SSR-SSR-F-DS.png


SSR-F-10DA-H 产品说明书

上一篇: SSR-F-40DA

下一篇: SSR-F-25DA-H