产品展示

SSR-K-AA系列 单相散热座一体成型固态模块(可控硅模块)

SSR-K-AA系列 单相散热座一体成型固态模块(可控硅模块)

产品信息

1.高电介强度超过4KV

2.高绝缘强度超过100MΩ/500VDC

3.附过热保护回路可防止过热破坏

4.耐瞬间电流超过额定电流10倍以上

5.附双重突波吸收回路有效防止突波破坏

6.符合EN60947-4-3 和 EN60950标准


SSR-K20AA
产品认证:
CE认证
RoHS认证

SSR-K20AA 产品型号

产品型号 特点说明
SSR-K20AA 输入电压:20~265VAC/DC、负载电压:24~380VAC、额定电流:20A max.

SSR-K20AA 产品规格

SSR-SSR-K-AA-SPE.png


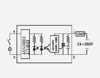
SSR-K20AA 接线图

SSR-SSR-K-AA-CD.png


SSR-K20AA 外型尺寸

SSR-SSR-K-AA-20221125-DS.png


SSR-K20AA 产品说明书

上一篇: SSR-K10AA

下一篇: SSR-K30AA