产品展示

SSR-VA系列 单相固态模块(可控硅模块)

SSR-VA系列 单相固态模块(可控硅模块)

产品信息

1.高電介強度超過4KV

2.高絕緣強度超過100MΩ/500VDC

3.附過熱保護回路可防止過熱破壞

4.耐瞬間電流超過額定電流10倍以上

5.附雙重突波吸收回路有效防止突波破壞

6.符合EN60947-4-3 和 EN60950標準


SSR-25VA-H
产品认证:
EAC认证
CE认证
RoHS认证

SSR-25VA-H 产品型号

产品型号 特点说明
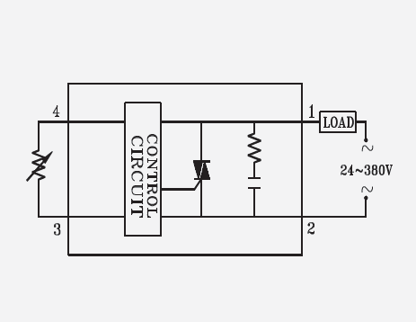
SSR-25VA-H 控制源:可變電阻器、負載電壓:90~480VAC、額定電流:25A max.

SSR-25VA-H 产品规格

SSR-SSR-VA-SPE.png


SSR-25VA-H 接线图

SSR-SSR-VA-CD.png


SSR-25VA-H 外型尺寸

SSR-SSR-VA-DS.png


SSR-25VA-H 产品说明书

上一篇: SSR-10VA-H

下一篇: SSR-40VA-H