产品展示

SSR-Y系列 & SSR-R系列 固态模块(可控硅模块)

SSR-Y系列 & SSR-R系列 固态模块(可控硅模块)

产品信息

1.高电介强度超过4KV

2.高绝缘强度超过100MΩ/500VDC

3.附过热保护回路可防止过热破坏

4.耐瞬间电流超过额定电流10倍以上

5.附双重突波吸收回路有效防止突波破坏

6.符合EN60947-4-3 和 EN60950标准


SSR-R05DD
产品认证:
CE认证
RoHS认证

SSR-R05DD 产品型号

产品型号 特点说明
SSR-R05DD 输入电压:4~32VDC、负载电压:5~60VDC、额定电流:5A

SSR-R05DD 产品规格

SSR-SSR-R-SPE.png


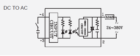
SSR-R05DD 接线图

SSR-SSR-RDA-CD.png


SSR-R05DD 外型尺寸

SSR-SSR-R-DS.png


SSR-R05DD 产品说明书

上一篇: SSR-Y05DA

下一篇: SSR-Y05DD