产品展示

C系列 SENSOR控制器

C系列 SENSOR控制器

产品信息

1.12VDC/40mA or 12VDC/150mA充足供应近接开关、光电开关使用

2.输入讯号NPN 或PNP可选择(A:NPN、B:PNP)

3.专利组装结构,零配线,AI自动机械差插件,质量可靠性高

4.标准化、量产化、降低制造成本,创造利润,分享客户

5.C6/C10/C11/C12可选择购Y-40转换为盘面式

6.C-1-LCK及C-1-24V控制器,请点选光幕系列查询


C-2
产品认证:
CE认证
RoHS认证

C-2 产品型号

产品型号 特点说明

C-2 产品规格

CR-C1-SPE.png


C-2 接线图

CR-C1-CD.png


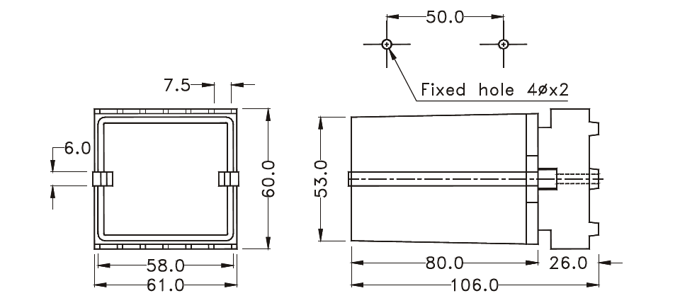
C-2 外型尺寸

CR-C1-DS.png


C-2 产品说明书

上一篇: C-1

下一篇: C-3