产品展示

PR-K系列 三相欠逆相侦测器

PR-K系列 三相欠逆相侦测器

产品信息

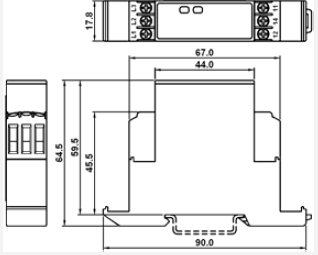
1.坚固超薄外形17.8mm

2.超高抗变频器高频干扰

3.PR-K1 & PR-KA 可侦测欠相及反相

4.PR-K2 可侦测欠相及反相及电压异常

5.符合IEC/EN 50178 & IEC/EN 61000-6-2 & IEC/EN 61000-6-3


PR-KAE
产品认证:
CE认证
RoHS认证

PR-KAE 产品型号

产品型号 特点说明
PR-KAE 相位欠相、反相侦测 / 工作电压200~550VAC、输出接点容量10A/250VAC

PR-KAE 产品规格

CR-PR-K-SPE.png


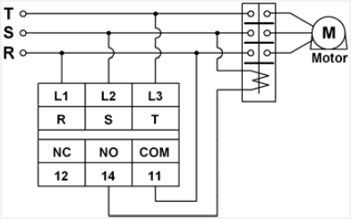
PR-KAE 接线图

CR-PR-K-CD-C.png


PR-KAE 外型尺寸

CR-PR-K-DS-C.png


PR-KAE 产品说明书

上一篇: PR-KA

下一篇: PR-K2