产品展示

PR系列 欠、逆相保护器

PR系列 欠、逆相保护器

产品信息

1.工作电压:220V or 380V or 440V or 480VAC 50/60Hz

2.超高抗变频器高频干扰

3.三相电压正常工作状态下:输出接点为Normal ON常开


PVR-3-□□□V
产品认证:
CE认证

PVR-3-□□□V 产品型号

产品型号 特点说明
PR-1-□□□V 欠逆相及过电压保护器( 控制器 )、高电压范围:±20%、低电压范围:±20%

PVR-3-□□□V 产品规格

CR-PR-SPE.png


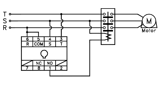
PVR-3-□□□V 接线图

CR-PR-CD.png


PVR-3-□□□V 外型尺寸

CR-PR-DS.png


PVR-3-□□□V 产品说明书

上一篇: PR-1-□□□V

下一篇: 暂无