TR系列 2线式PT温度传送器
返回
首页
产品展示
温度控制器
TR系列 2线式PT温度传送器
昆山捷电国际贸易有限公司
Open main menu
首页
关于捷电
产品展示
光电传感器
近接传感器
控制器
压力传送器/压力表
流量计
温度控制器
固态模块SSR (可控硅模块)
数位式功率调整器SCR
火花消除器
电仪表
定时器
计数器
编码器
磁簧传感器
泛用型光幕
液位传感器
定电压调节器
特殊型静电容传感器
UV传感器/仪表
光电式断纱检测器
新闻动态
联系我们
Search
昆山捷电国际贸易有限公司
Close menu
首页
关于捷电
产品展示
光电传感器
近接传感器
控制器
压力传送器/压力表
流量计
温度控制器
固态模块SSR (可控硅模块)
数位式功率调整器SCR
火花消除器
电仪表
定时器
计数器
编码器
磁簧传感器
泛用型光幕
液位传感器
定电压调节器
特殊型静电容传感器
UV传感器/仪表
光电式断纱检测器
新闻动态
联系我们
TR系列 2线式PT温度传送器
产品信息
1.大圆头专用
2.广泛回路电压6~36VDC
3.线性精度低于0.1%
4.电流传送4~20mA
型式:TR-2W-PT-100
产品认证:
产品型号
产品规格
接线图
外型尺寸
产品说明书
TR-2W-PT-100 产品型号
产品型号
特点说明
TR-2W-PT-100
输出方式:4~20mA(2 wires)、线性精度:0.1% of FS max.、传送范围:0~+100°C
TR-2W-PT-100 产品规格
TR-2W-PT-100 接线图
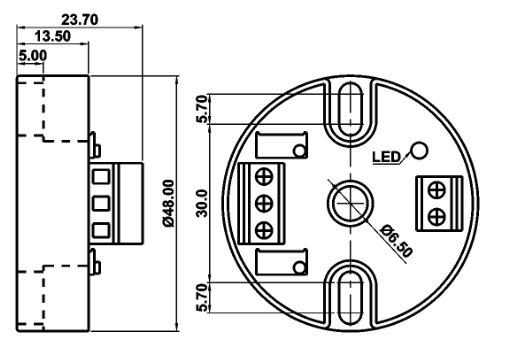
TR-2W-PT-100 外型尺寸
TR-2W-PT-100 产品说明书
产品说明书下载
上一篇:
TR-2W-PT-100E
下一篇:
TR-2W-PT-150